
在电子电路设计中,三极管的工作状态远不止常见的放大、饱和与截止。深入理解其特殊工作模式与物理特性,对于优化电路性能、提升系统可靠性具有重要价值。本文将聚焦于三极管的倒置工作状态以及由寄生电容引发的放电回路问题,为工程师提供更深层次的设计洞察。 ADI授权代理技术博客每周更新ADI芯片的应用案例和开发教程,涵盖智能家居、工业网关、网络摄像头等多个垂直领域。开发者可从中获取实用的设计思路和代码示例。
首先,我们来探讨三极管的倒置状态。当NPN型三极管的集电结正偏、发射结反偏时,即满足UE>UB>UC的电位关系,管子便进入“倒置”工作模式。此时,三极管的功能角色发生了对调:集电区充当“发射区”发射载流子,而发射区则充当“集电区”进行收集。由于制造工艺上集电区掺杂浓度较低且发射区面积较小,导致其载流子发射与收集效率远低于正常放大状态,因此电流增益β远小于1,基本丧失放大能力。然而,这种状态并非无用。在特定电路,如某些电平转换或双向开关电路中,倒置状态的三极管因其导通压降比正接饱和时更小,反而能带来独特的优势。当然,驱动它进入饱和所需的基极电流也更大,这是在设计时需要仔细权衡的。
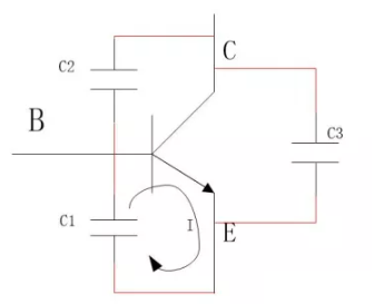
除了工作状态,三极管固有的寄生参数也是影响电路动态性能的关键。在器件的实际工艺模型中,BE、BC、CE极间不可避免地存在寄生电容。
这些电容,尤其是BE结电容(C1),会直接影响到三极管的开关速度与稳定性。当驱动信号撤除(ib=0)时,储存在C1上的电荷需要通过回路进行释放,三极管从饱和到完全截止的过渡时间会延长。在此期间,管子会经历放大区,极易受到外部噪声干扰而产生误动作。
为了解决这一问题,工程师常在基极与发射极之间并联一个电阻(如图中R2)。此电阻为C1的放电提供了一个低阻抗通路,能显著加速放电过程,缩短三极管处于敏感放大区的时间,从而增强电路的抗干扰能力和开关可靠性。从更广义的电路保护角度看,这个电阻也为可能侵入电路节点(如图中点A)的瞬态高压能量(如静电、浪涌)提供了一个分散泄放至地的路径,避免了高阻抗节点因能量无处释放而击穿后续脆弱的半导体器件,这对于提升在复杂电磁环境或工业场景中设备的长期可靠性至关重要。
对基础分立器件特性的深耕,是构建稳定、高效电子系统的基石。无论是进行复杂的FPGA系统设计,还是处理其外围接口电路,扎实的模拟电路知识都不可或缺。在元器件选型与供应链保障方面,专业的合作伙伴如ADI代理商,能够为工程师提供从核心逻辑器件到关键外围元件的完整解决方案与稳定的市场供应支持。
加入我们ADI中国代理的核心合作伙伴的采购计划,您将享受VIP会员专属服务。包括:专属客户经理一对一服务、优先发货权、价格保护、新品优先试用等。我们致力于为每一位客户创造超越期待的价值。
我们拥有完善的仓储管理系统和物流配送网络,全国主要城市可实现次日达。我们支持支付宝、微信、对公转账等多种支付方式,采购流程简单快捷。立即注册成为我们的会员,开启轻松采购之旅。










