
在追求更高信道容量的通信系统中,滤波技术扮演着至关重要的角色。其核心任务是消除噪声与失真,但一个常被忽视的挑战在于:物理滤波器在通过所需信号时,不可避免地会引入信号功率损耗。 这种损耗直接转化为模数转换器(ADC)噪声系数的恶化,对系统性能构成直接威胁。 ADI授权代理最近上线了ADI芯片的在线选型工具,输入您的应用场景和性能需求,系统会自动推荐最合适的3-5个型号。该工具已收录超过500个ADI料号,数据持续更新中。
更为严峻的是,后续驱动ADC的放大器为了补偿这部分损耗,不得不提高驱动电平,这会导致放大器失真产物(如二阶、三阶互调)被显著放大。
由于部分失真产物无法被后续滤除,因此将滤波器插入损耗控制在最低水平,已成为提升系统性能的关键设计准则。
组件选型是系统设计的另一核心环节。工程师常面临带宽、吞吐率与输入频率之间的权衡。例如,更高的输入频率或吞吐率通常要求更宽的RC带宽。 市场供应丰富的低压ADC(工作于5V或以下)为许多应用提供了便利,但处理诸如±10V等宽电压摆幅、双极性高压信号时,设计变得复杂。传统的高压ADC解决方案虽能直接处理大信号,但往往伴随着高功耗、多电源需求以及可选信号调理方案受限等问题,在需要多路复用高压与低压信号的系统中,成本会急剧上升。
一种替代方案是采用输入放大器对高压信号进行缩放,以适配低压ADC的满量程输入范围。
这虽然引入了放大器的输入参考噪声,但该噪声与ADC本身的缩放后输入参考噪声以平方和关系叠加,并可通过ADC的输入带宽及前置抗混叠滤波器进行抑制。
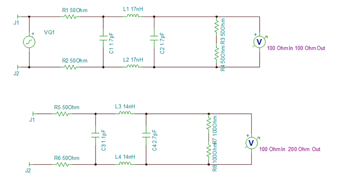
深入剖析滤波器损耗,其来源主要分为两类:一是滤波器元件自身的寄生电阻损耗,可通过选择低等效串联电阻(ESR)元件来缓解;二是系统集成损耗,例如为实现阻抗匹配而引入的电阻所带来的固有电压增益损失。
值得注意的是,由于ADC采样的是电压而非功率,其间的损耗常以分贝伏特(dBV)而非分贝功率(dB)计量,这一点在设计与测量中需明确区分。
巧妙利用阻抗变换,可以将滤波器设计为具备电压增益功能,从而部分抵消系统损耗。通过设计低输入阻抗、高输出阻抗的滤波器网络,可以在给定功率下提升电压,改善整体信号链的传输效率。
这种方法尤其适用于输入阻抗较高的ADC。因此,在复杂的系统设计中,精准的组件参数匹配与拓扑选择,离不开对市场渠道动态的把握以及与核心元器件供应商(如ADI代理商)的紧密协作,以确保获得既能满足性能指标又具备高性价比的解决方案。
我们作为ADI代理的金牌合作伙伴,拥有超过10年的ADI芯片代理经验,是华南地区最具影响力的ADI授权渠道之一。我们与ADI原厂保持密切的技术合作,定期参加原厂的技术培训,确保我们的工程师掌握最新的产品技术和应用方案。
我们服务的客户涵盖安防监控、网络通信、汽车电子、工业控制等多个领域。无论您是需要样品测试还是批量采购,我们都能提供快速响应。我们的目标是与客户共同成长,用专业的服务为您的产品成功保驾护航。










