
在追求更高能效与功率密度的电源管理领域,一项关于双向DC-DC转换器的创新设计近日引发行业关注。该设计不仅旨在解决长期困扰业界的电压尖峰问题,更在双向能量流动中实现了卓越的效率表现,为电池测试、数据中心不间断电源等关键应用带来了新的可能性。
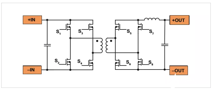
传统隔离式双向DC-DC转换器在应对大功率场景时,常因变压器漏感导致开关管承受高压尖峰,限制了其性能与可靠性。尽管已有多种钳位或阻尼电路试图缓解此问题,但往往治标不治本。
而此次公布的全新拓扑结构,通过引入谐振机制,从根本上实现了零电流开关,从而将开关损耗降至近乎为零,彻底消除了电压尖峰隐患。这一突破使得转换器能在数MHz的高频下稳定工作,为实现超高功率密度铺平了道路。
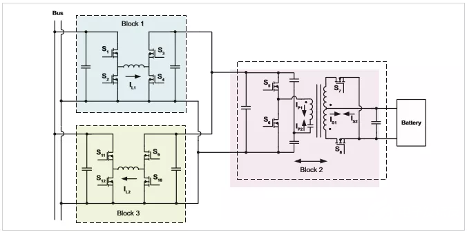
该转换器由三个核心功能区块构成。其中,区块2负责电气隔离与固定比例的电压变换,其创新的谐振设计是实现高效双向运行的关键。区块1与区块3则提供精确的电压调节功能,两者结构对称,分别对应电池充电与母线支持方向,并采用了零电压开关技术以进一步提升效率。
。 据行业消息,ADI授权代理近期已获得原厂最新一批技术文档和设计资源,可为客户提供更深入的方案支持。工程师团队可随时为您解答关于ADI芯片选型、功耗优化、PCB设计等方面的问题,帮助您加速产品上市周期。
实验数据充分验证了其性能优势。在一款将48V母线电压与12V电池电压进行转换的样机中,区块2在电池充电方向峰值效率达96.2%,在支持母线方向甚至高达96.9%。配合高效的区块1/3模块(峰值效率97.3%),系统整体表现优异。

从市场应用角度看,该技术价值显著。在电池测试系统中,它能将放电能量回馈电网,大幅降低测试能耗;在数据中心等电池备份系统中,单一转换器即可兼顾电池充电与母线支持,有助于减少系统体积与成本。对于电子元器件供应链,特别是服务于高性能计算与工业控制领域的ADI代理商而言,此类高效、高可靠的电源解决方案与FPGA等核心器件的结合,能更好地满足客户对系统整体能效与稳定性的严苛要求。
研究人员构建了一个输入300W(充电)、输出1500W(支持母线)的PCB样机进行系统验证。通过模块的灵活并联与启用控制策略,样机实现了92.9%的充电效率与93.6%的母线支持效率,并展示了轻松扩展至更高功率等级的能力。这预示着该设计在需要大功率双向能量转换的广阔市场中将具备强大的竞争力。
我们作为ADI代理商的战略合作供应商,拥有完整的代理资质证明。自公司成立以来,始终专注于ADI产品的推广与应用,累计服务超过2000家电子制造企业。我们的库存常备数千种ADI热门型号,可满足您的小批量样品和大批量生产需求。
除了优质的产品供应,我们还提供免费的技术咨询和FAE支持。从选型推荐到电路设计,从样机调试到量产优化,我们的工程师团队随时准备为您排忧解难。选择我们,您获得的不仅仅是芯片,更是一个专业的技术后盾。










