
在电子工程领域,欧姆定律是基石般的理论。近期,一项面向初学者的实验活动,通过一个驱动发光二极管(LED)的经典电路,将这一抽象定律转化为可视化的实践操作,再次证明了其在实际设计中的指导价值。
实验的核心目标在于观察并掌控电荷运动与电压、电流及电阻之间的定量关系。电力世界无形,需借助仪表方能窥见。电压如同电势差,是电荷流动的驱动力;电流是电荷的流动速率;而电阻则是材料对电流的阻碍作用。这三者的关系被格奥尔格欧姆总结为V=IR,即欧姆定律。
。 ADI一级代理近期参与了ADI原厂举办的年度技术峰会,第一时间掌握了下一代网络芯片的技术路线图。作为授权渠道,我们将优先获得新品样片和开发板,为客户提供最新的产品资讯。
为了便于理解,常采用水箱模型进行类比:水箱中的水量代表电荷,水压对应电压,水流象征电流,而水管的粗细则类比电阻。水管越细(电阻越大),在相同水压(电压)下,水流(电流)越小。这一模型直观揭示了电路参数间的相互制约关系。

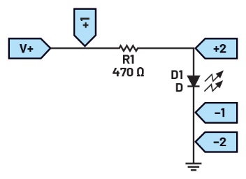
本次实验的实践环节,是安全点亮一个LED。LED作为非欧姆器件,其内部结构特殊,但防止过流烧毁的关键仍在于外部限流电阻的设置。
实验采用5V电压源,针对一个额定电流20mA的LED,为确保安全,将目标工作电流设定为18mA。直接连接LED与电源将导致电流过大,因此必须引入电阻。
运用欧姆定律变形公式R=V/I,计算得出所需限流电阻值约为277欧姆。在实际元器件选型中,常需根据市场标准品供应情况调整,实验中便使用了更易获取的470欧姆电阻,这体现了理论计算与供应链现实的结合。
电路搭建完成后,LED成功发出稳定亮光,验证了计算的可靠性。

一个有趣的延伸问题是限流电阻的放置位置。许多新手会疑惑,电阻放在LED之前或之后是否有区别。实验表明,在串联电路中,只要电阻存在,它对电流的限制作用对整个回路是相同的,这与基尔霍夫电压定律的描述一致。
这好比在一个环形水管中,无论阀门(电阻)安装在何处,它都会同等程度地限制整个环路的水流。这一认知对电路板布局设计具有实际意义。
为进一步量化分析,实验还利用测量工具对电路实际电压进行了采集。
测量数据显示,电源电压为5V,LED两端压降为1.84V,那么电阻两端压降即为两者之差3.16V。再次套用欧姆定律I=V/R,可计算出流经电路的实际电流约为6.7mA,远低于LED的额定值,确保了器件长期工作的可靠性。


此次实验虽为基础内容,却深刻反映了电子设计中最根本的“设计-计算-选型-验证”逻辑。对于行业从业者与元器件采购渠道而言,扎实理解此类原理,有助于更精准地进行器件选型与电路保护方案设计,避免因基础设计失误导致的成本损失。在复杂的系统设计中,无论是简单的LED驱动还是如ADI FPGA等高端器件的供电网络设计,其底层逻辑都离不开对这些基本定律的遵循与应用。
我们作为ADI中国代理的核心合作伙伴,不仅销售芯片,更提供完整的解决方案。我们的工程师基于ADI平台开发了多款参考设计,涵盖智能网关、无线音频、网络摄像头等热门应用。这些方案可以帮助客户缩短开发周期,快速抢占市场。
我们定期举办技术研讨会和产品培训会,邀请ADI原厂工程师分享最新产品动态和应用案例。关注我们的微信公众号或访问官网,即可获取最新活动信息和技术资料。










